Informations
Serrure de meuble pour cylindre européen
Verrouillez votre meuble avec la protection de votre choix en installant ce boîtier serrure Devisme réversible droite/gauche.
. En alliage moulé avec une finition nickelée, le coffre est très solide. Il suffit d'ajouter le demi-cylindre européen de votre choix pour bloquer efficacement l'ouverture. Universel grâce à ses dimensions polyvalentes, ce boîtier est facile à installer sur tout type de meuble. Haute qualité des matériaux utilisés pour assurer une longue durée de vie. Très simple à visser sur de nombreux types de meubles. Avec emplacement pour cylindre afin de choisir la protection adaptée. Ce boîtier serrure Devismes universel est un dispositif de verrouillage fiable pour votre meuble.
Caractéristiques techniques
- Fonction : clé
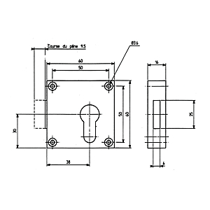
- Désignation : nickelé pour demi cylindre profilé, axe à 38 mm, fourni avec gâche à équerre et vis de maintien de cylindre, mais sans demi cylindre (voir secteur 1 - serrurerie de bâtiment)
- Axe à (en mm) : 38
- Sens : réversible
- Hauteur du coffre (en mm) : 60
- Largeur du coffre (en mm) : 60
- Matière du coffre : zamak
- Coloris du coffre : argent
| Marque | DEVISMES |
|---|---|
| Référence fournisseur | VAC175 |
| Niveau de sécurité | Standard |



